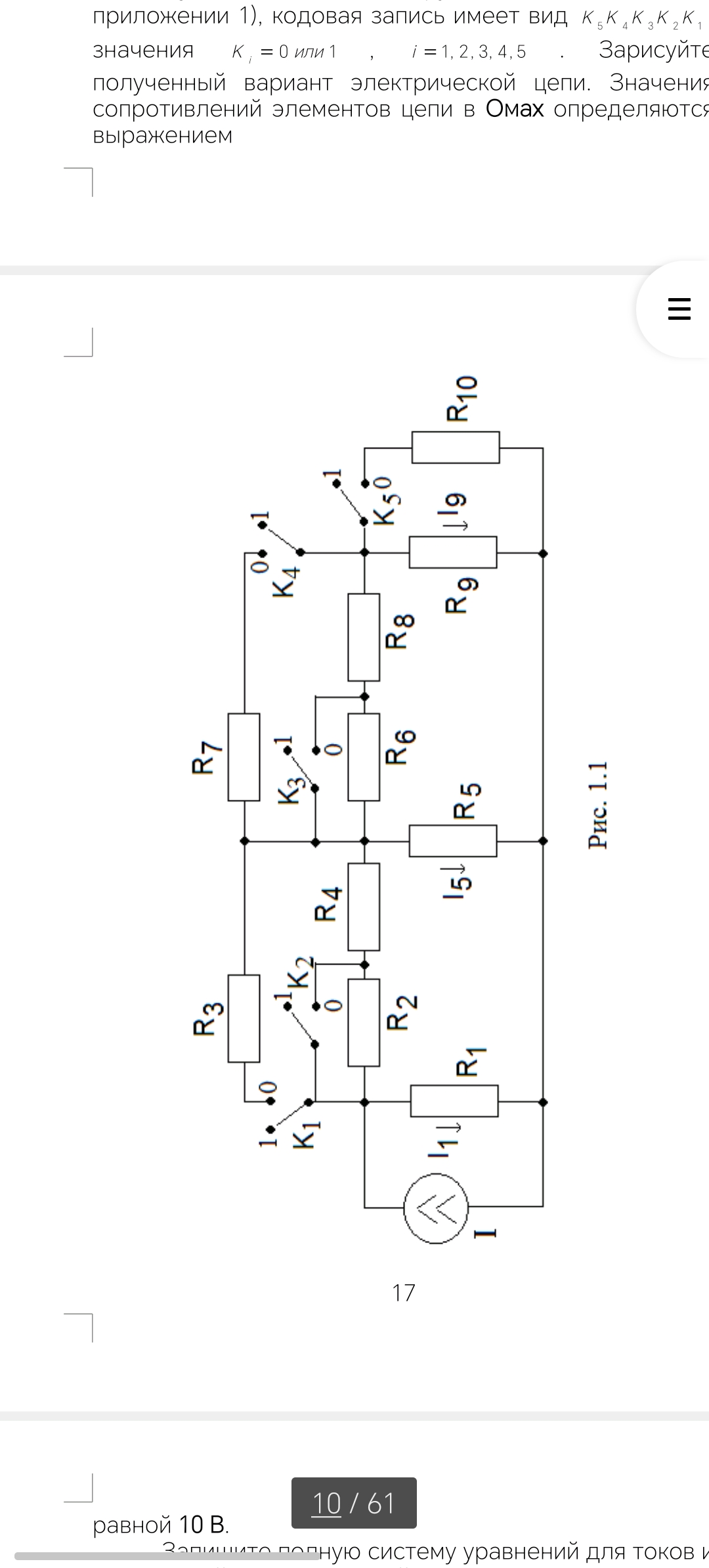
Чтобы ответить на ваш вопрос, нужно немного больше информации о вашей схеме и том, как именно подключены резисторы и ключи. Я не могу видеть вашу схему, но я могу предложить общую инструкцию.
Если у вас есть схематическое изображение цепи, где резисторы подключены к ключам например,K1,K2,K3,K4ит.д.например, K1, K2, K3, K4 и т.д.например,K1,K2,K3,K4ит.д., правила подключения просты:
Определите, какие резисторы подключены к каждому ключу.Поскольку вы замыкаете все ключи, кроме K4, это означает, что резисторы, подключенные к K1, K2 и K3, будут отключены от цепи.В результате только резисторы, которые подключены к ключу K4, останутся в цепи.
Для построения новой схемы электрической цепи:
Начертите электрическую цепь с резисторами и источником питания.Оставьте только те резисторы, которые были бы подключены к K4.Убедитесь, что все соединения правильно отражают состояние вашей схемы.
Если вы можете предоставить больше информации о ваших резисторах и ключах например,ихподключенияиколичествонапример, их подключения и количествонапример,ихподключенияиколичество, я смогу помочь вам более точно.
Чтобы ответить на ваш вопрос, нужно немного больше информации о вашей схеме и том, как именно подключены резисторы и ключи. Я не могу видеть вашу схему, но я могу предложить общую инструкцию.
Если у вас есть схематическое изображение цепи, где резисторы подключены к ключам например,K1,K2,K3,K4ит.д.например, K1, K2, K3, K4 и т.д.например,K1,K2,K3,K4ит.д., правила подключения просты:
Определите, какие резисторы подключены к каждому ключу.Поскольку вы замыкаете все ключи, кроме K4, это означает, что резисторы, подключенные к K1, K2 и K3, будут отключены от цепи.В результате только резисторы, которые подключены к ключу K4, останутся в цепи.Для построения новой схемы электрической цепи:
Начертите электрическую цепь с резисторами и источником питания.Оставьте только те резисторы, которые были бы подключены к K4.Убедитесь, что все соединения правильно отражают состояние вашей схемы.Если вы можете предоставить больше информации о ваших резисторах и ключах например,ихподключенияиколичествонапример, их подключения и количествонапример,ихподключенияиколичество, я смогу помочь вам более точно.